Welcome

Get Ready for the Quiz !

Passing percentage = 60%

Time Out !


Electricity

1 / 10

Two electric bulbs, one of 220 V, 40 W rating and the other of 220 V, 60 W rating are connected in a domestic circuit. What is correct statement about these ?

2 / 10

The resistance of a conductor is 1 Ω. The meaning of this statement is :

3 / 10

Aaditya has a large number of coloured electric bulbs having a rating of 220 V, 20 W each. How many such bulbs can he connect in parallel with one another across the 220 V source supply line so that only a current of 5 A is drawn from the mains ?

4 / 10

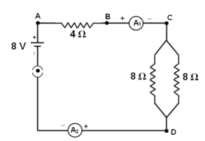
The effective resistance of the circuit shown here is

5 / 10

Connecting wires in a household domestic circuit should have

6 / 10

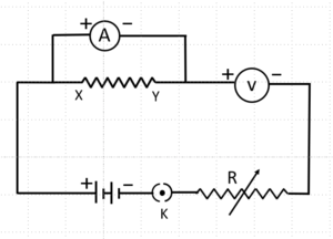
What is wrong in the circuit arrangement ?

7 / 10

An electric bulb is rated 100 W, 200 V. When it is operated at 100 V, the power dissipated by the bulb will be

8 / 10

How can three resistance of 2 Ω, 3 Ω and 6 Ω be connected so as to give a total resistance of 1Ω ?

9 / 10

A wire of resistance 10 Ω is bent in the form of a closed circle. What is the effective resistance between the two points at ends of any diameter of the circle?

10 / 10

A wire is drawn such that its radius changes from r to 2r. The new resistance will become

The average score is 18%

0%

Exit