Q1.
The graph below shows the variation of resistivity of copper with temperature.

Kishore constructs a simple circuit as shown below. The resistor is made of copper.

He then heats the copper resistor. What will happen to the current flowing through the circuit? Why?
(a) The current will increase because the resistance of copper increases with an increase in temperature.
(b) The current will increase because the resistance of copper decreases with an increase in temperature.
(c) The current will decrease because the resistance of copper increases with an increase in temperature.
(d) The current will decrease because the resistance of copper decreases with an increase in temperature.
Q2.
Priya has three resistors each of resistance 2 Ω.
Which of the following resistances will she NOT be able to get by combining these resistors is different combinations?
(a) 0.67 Ω
(b) 0.75 Ω
(c) 3 Ω
(d) 6 Ω
Q3.
The variable resistor R is connected in a circuit, as shown below. A variable resistor is one whose resistance can be changed.
The resistance of R is increased. What will happen to the voltmeter readings V1 and V2?

(a) V1 increases; V2 increases
(b) V1 increases; V2 decreases
(c) V1 decreases; V2 increases
(d) V1 decreases; V2 decreases
Q4.
A cylindrical copper wire X of length l and radius r has a resistance R and resistivity ρ. Another copper wire Y has a length 2l and a radius 2r.
Which of the following rows in the table shows the correct resistance and resistivity of the copper wire Y?

(a) I
(b) II
(c) III
(d) IV
Q5.
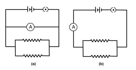
Kishore connects two resistors in parallel. He wants to measure the total current through the two resistors. Which of the following shows the correct arrangement to measure the current through Ammeter ‘A’ ?


Q6.
An autorefractor, which is used to automatically measure the refractive errors in a person’s eye, makes use of the Scheiner principle explained below. Parallel rays of light from a distant object are limited to two parallel bundles of light using a disc with two pinholes. For an eye with no refractive error, the rays would be focused on the retina, where only one spot can be observed.

(a) For a myopic eye, how many spots will be observed on the retina?
(b) Draw a diagram showing how the light rays fall on the retina of a myopic eye?
(c) What could be the reason for the observation?
Q7.
Which of the following does the negative sign in the power -3D signify?
(a) The focus is on the same side of the lens as the object.
(b) The focus is on the opposite side of the lens as the object.
(c) The principal focus is situated outside the principal axis.
(d) The focal length on one side of the lens is smaller than that on the other.
Q8.
Diabetic retinopathy causes damage to blood vessels in the retina. Which of the following would NOT happen in a person having diabetic retinopathy?
(a) Focussing on objects at different distances
(b) Formation of a clear image of the object
(c) Change in the size of the pupil
(d) Entry of light into the eye
Q9.
A bottle is viewed through a convex lens as shown below. The bottle appears inverted at first. The bottle is now moved slowly towards the lens. At which of the marked points will the image appear upright?

(a) P
(b) Q
(c) R
(d) S
Q10.
Assertion (A): For making danger signals and signs that are at a distance, a colour with a longer wavelength is used.
Reason (R): Colours with longer wavelengths travel faster than the other colours.
Q11.
Neeti took some clear gel beads and soaked them in water for a few hours. The gel beads absorbed water and increased in size. She then placed these beads in a glass container. The beads were clearly visible in the container as shown below.

Neeti then added water to the container and it appeared as shown below.

(a) Why are the gel beads not visible on adding water?
(b) Would the gel beads shown in the first image be visible if placed in oil instead of water? Give a reason for your answer.
Q12.
A light ray is incident on the wall of a glass tank as shown below.

Draw a rough diagram of the path of the light ray as it passes through the glass tank and the water and emerges again ito air. Draw the normal at each interface.